產品介紹
產品型號:WBSX DXH373X
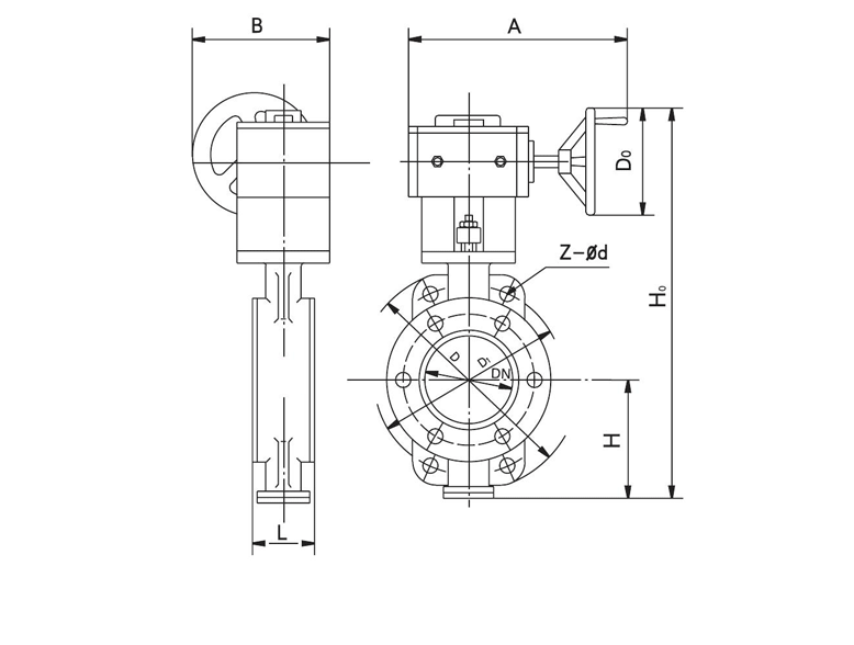
主要性能規范:公稱通經 公稱壓力 工作溫度 密封試驗 強度試驗 適用介質 DN50~400mm 1.0/1.6/2.5MPa -10℃~-80℃ 1.1倍公稱壓力 1.5倍公稱壓力 水、油、氣等。
消防蝶閥產品用途:DXH373X型對夾信號蝶閥是我廠引進國外先進技術而自行開發的偏心型蝶閥,它具有結構簡單,密封可靠,開啟輕便、壽命長、維護方便等優點。故被廣泛地應用于給排水、建筑消防等系統各種管道上,尤其在消防管路中。本信號閥可明白無誤的顯示出閥門開關狀態,具有直觀、清晰、可靠的反映出消防系統中的工作狀態,所以廣泛、大量的適用于消防系統中。




TEL:

E-mail us
PDF Download
Inquiry





